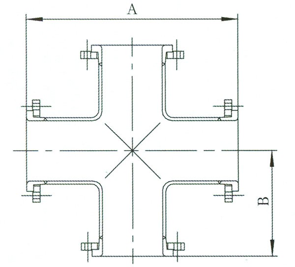
衬四氟四通:衬四氟四通形式有护套法兰连接的铸铁搪玻璃四通(B型)和铸钢法兰连接的衬四氟四通(C型),应用的公称压力≤0.6Mpa,介质温度适用于-10~200℃。
衬四氟四通特点:衬四氟四通耐压性好,用于化工流程中各个介质的输送,内壁光滑,易于清洗及出料,隔离金属离子,无金属离子污染介质,确保介质品质、香味、色泽不受影响。

衬四氟四通:衬四氟四通形式有护套法兰连接的铸铁搪玻璃四通(B型)和铸钢法兰连接的衬四氟四通(C型),应用的公称压力≤0.6Mpa,介质温度适用于-10~200℃。
衬四氟四通特点:衬四氟四通耐压性好,用于化工流程中各个介质的输送,内壁光滑,易于清洗及出料,隔离金属离子,无金属离子污染介质,确保介质品质、香味、色泽不受影响。
